新鲜出炉的各类电化学习题案例,不容错过哦!
电化学
看过矩道化学虚拟实验室新版软件更新亮点相关文章的小伙伴们对于探究平台中的电化学部分大概是有一些熟悉感的,今天小编再给各位小伙伴好好介绍一下我们近期利用探究平台自主搭建的一些典型的电化学习题类的案例资源,让大家有一个更全面的认知。
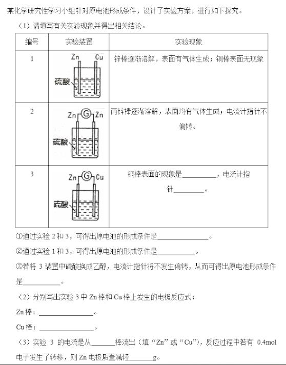
案例一:探究原电池形成的条件
根据题目要求搭建的符合编号1要求的仿真实验装置。
根据题目要求搭建的符合编号2要求的虚拟实验装置。
根据题目要求搭建的符合编号3要求的虚拟仿真实验装置。
采用不断改变装置结构的层层递进方式,探索出产生电流的装置,通过装置间的差异总结形成电流的原因,符合当下提倡融合信息技术创新的教学模式。
案例二:利用原电池原理驱动风扇
装置1
装置2
装置3
装置4
装置1-3中虽然都有电流产生,但是风扇都没有转动,只有装置4的风扇最终转动了,原因是什么呢?(前三个装置产生的电流太小,替换活泼性相差较大的金属作为电极,产生较大电流,带动风扇转动)。
类似这种案例的设计可以满足课堂教学中引导启发学生开展自主探究式的学习。
案例三:模拟铁的电化学防护
学习了原电池和电解池装置的原理后,可以启发学生将知识与实际相联系,如何运用所学的电化学方面的知识保护船体不被海水腐蚀?
(船体结构中的船艉主要是由铜合金材料制成,尤其是在船体的端部,极易发生严重的阳极极化现象,这种现象可以造成严重的船体腐蚀。)可以借助电化学虚拟实验装置进行模拟,提升学生学以致用的能力!
牺牲阳极的阴极保护法
外加电流保护法










